PolskiAngielski
Schowek0
Twój schowek jest pusty
Koszyk0
Twój koszyk jest pusty ...
Strona główna » Układ hamulcowy i koła » Big Brake Kits » Wilwood 170-7632 Short Offset Big Brake Hat dzwon hamulcowy
Wilwood 170-7632 Short Offset Big Brake Hat dzwon hamulcowyWilwood 170-7632 Short Offset Big Brake Hat dzwon hamulcowyWilwood 170-7632 Short Offset Big Brake Hat dzwon hamulcowy
Wilwood 170-7632 Short Offset Big Brake Hat dzwon hamulcowy
Wilwood 170-7632 Short Offset Big Brake Hat dzwon hamulcowy
Wilwood 170-7632 Short Offset Big Brake Hat dzwon hamulcowy
Nowość

Wilwood 170-7632 Short Offset Big Brake Hat dzwon hamulcowy

Koszt wysyłki:od 20,00 zł

Numer katalogowy:USA-WIL-170-7632

Stan magazynowy:

Cena brutto: 799,99 zł

Cena netto: 650,40 zł

PayPo

Chwilowo niedostępny
Powiadom mnie o dostępności

dodaj do schowka

Kupując ten produkt otrzymasz od nas 800 punktów które będziesz mógł wykorzystać na zakupy w naszym sklepie. Dotyczy to tylko Klientów zarejestrowanych w naszym sklepie.

  • Opis produktu
  • Recenzje produktu (0)
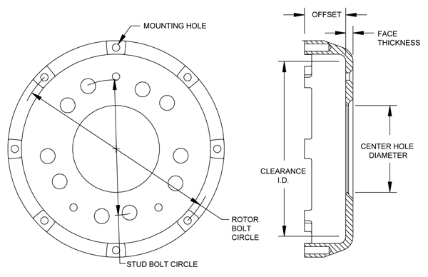
Dzwon Hamulcowy Big Brake z Krótkim Offsetem 1.430 Dzwony hamulcowe Big Brake Short Offset z serii GT są precyzyjnie obrabiane z wysokowytrzymałych stopów aluminium, co pozwala uzyskać doskonałą sztywność przy jednoczesnym ograniczeniu masy. Wyposażone w gwintowane otwory montażowe, współpracują zarówno ze standardowymi tarczami montowanymi przelotowo, jak i tarczami dynamicznymi z frezowanymi otworami, gdy stosowane są tuleje T-Nuts lub bobbiny. W połączeniu z dedykowanym osprzętem Wilwood dzwony GT zapewniają stabilną i niezawodną pracę nawet w najbardziej wymagających warunkach. Model Short Offset jest przeznaczony do instalacji w miejscach o ograniczonej przestrzeni, gdzie offset wynosi mniej niż 1.00". Dostępny jest w popularnych wzorach cztero- i pięciośrubowych, kompatybilnych z większością układów tarczowych. Wymiary dzwonu (Hat Dimensions) Typ otworu montażowego: Gwintowany Rozstaw śrub tarczy (in): 8 × 7.00 Offset dzwonu (in): 1.430 Średnica centrująca (in): 3.00 Typ dzwonu (Hat Type) Materiał: Aluminium Styl montażu: Fixed Mount Wykończenie: Black E-Coat Waga (lbs): 1.800 Rozstawy śrub (Bolt Circle Dimensions) Bolt Circle 1: 5 × 4.50 Bolt Circle 2: 5 × 4.75 Bolt Circle 3: — Informacje aplikacyjne (Application Info) Zastosowanie: 55–57 Chevy Zestaw śrub: 230-8390 Dodatkowe wymiary (Additional Hat Dimensions) Rozmiar otworów montażowych tarczy (in): 5/16-18 Clearance I.D. (in): 6.04 Grubość czoła (in): 0.25 Średnica szpilek – BC1 (in): 0.520 Średnica szpilek – BC2 (in): 0.520 Dodatkowe informacje (Additional Notes) Dzwon posiada trzy pogłębione otwory przygotowane do montażu śrub kotwiących stosowanych w wybranych piastach Wilwood. Zalecane śruby: 230-7032 (6 × 1/4-20 × .50, łeb stożkowy, gniazdo imbusowe).

Nikt jeszcze nie napisał recenzji do tego produktu. Bądź pierwszy i napisz recenzję.

Napisz recenzję do tego produktu, a otrzymasz od nas 50 punktów które będziesz mógł wykorzystać na zakupy w naszym sklepie. Dotyczy to tylko Klientów zalogowanych i zarejestrowanych w naszym sklepie.

Tylko zarejestrowani klienci mogą pisać recenzje do produktów. Jeżeli posiadasz konto w naszym sklepie zaloguj się na nie, jeżeli nie załóż bezpłatne konto i napisz recenzję.